Click image to enlarge
Huck Lock Bolts: C6L
Jay Cee Sales & Rivet has a large in-stock supply of Vibration-resistant C6L huck fasteners install with consistency and control. They resist loosening due to vibration and provide a high uniform clamp force. This is an excellent fastener for a wide range of structural applications.
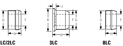
COLLARS
| Standard Collar | ||||||||
| Steel zinc | Aluminum | Stainless Steel | Collar | F | G | H | J | K |
| Diameter | Diameter | Diameter | Length | Dimension | Diameter | |||
| STEEL 2LC-R6G | ALUM. 6061 LC-I6 | STAIN. STEEL 2LC-2CU6G | 3/16 | .187-.196 | .311-.304 | .220-.260 | ||
| STEEL 2LC-R8G | ALUM. 6061 LC-I8 | STAIN. STEEL 2LC-2CU8G | 1/4 | .256-.265 | .409-.402 | .320-.290 | ||
| STEEL 2LC-R10G | ALUM. 6061 LC-I10 | STAIN. STEEL 2LC-2CU10G | 5/16 | .304-.312 | .494-.485 | .380-.350 | ||
| STEEL 2LC-R12G | ALUM. 6061 LC-I12 | STAIN. STEEL 2LC-2CU12G | 3/8 | .375-.385 | .600-.590 | .460-.430 | ||
| Flange Collar | ||||||||
| Steel zinc | Aluminum | Stainless Steel | Collar | F | G | H | J | K |
| Diameter | Diameter | Diameter | Length | Dimension | Diameter | |||
| STEEL 3LC-2R6G | ALUM. 6061 3LC-I6 | STAIN. STEEL 3LC-2CU6G | 3/16 | .187-.196 | .311-.304 | .280-.250 | .062-.031 | .391-.359 |
| STEEL 3LC-2R8G | ALUM. 6061 3LC-I8 | STAIN. STEEL 3LC-2CU8G | 1/4 | .256-.267 | .409-.402 | .379-.349 | .078-.047 | .516-.484 |
| STEEL 3LC-2R10G | ALUM. 6061 3LC-I10 | STAIN. STEEL 3LC-2CU10G | 5/16 | .304-.312 | .507-.498 | .426-.394 | .094-.062 | .641-.609 |
| STEEL 3LC-2R12G | ALUM. 6061 3LC-I12 | STAIN. STEEL 3LC-2CU12G | 3/8 | .378-.390 | .610-.599 | .532-.502 | .125-.062 | .781-.719 |
| Low Profile Collar | ||||||||
| Steel zinc | Aluminum | Stainless Steel | Collar | F | G | H | J | K |
| Diameter | Diameter | Diameter | Length | Dimension | Diameter | |||
| STEEL 8LC-2R6G | ALUM. 6061 8LC-I6 | STAIN. STEEL 8LC-2CU6G | 3/16 | .187-.196 | .311-.304 | .162-.132 | 0.094 | |
| STEEL 8LC-2R8G | ALUM. 6061 8LC-I8 | STAIN. STEEL 8LC-2CU8G | 1/4 | .256-.265 | .409-.402 | .202-.172 | 0.125 | |
| STEEL 8LC-2R10G | ALUM. 6061 8LC-I10 | STAIN. STEEL 8LC-2CU10G | 5/16 | .304-.312 | .494-.485 | .255-.225 | 0.125 | |
| STEEL 8LC-2R12G | ALUM. 6061 8LC-I12 | STAIN. STEEL 8LC-2CU12G | 3/8 | .375-.385 | .600-.590 | .295-.310 | 0.156 | |
BRAZIER HEAD
| Maximum | Brazier Head (B) | ||||||||
| Dia. | GRIP RANGE | E LENGTH | Aluminum Part Num. | Steel Part Num | Stainless steel | Hole Size | A | B | C |
| 3/16 | .125-.250 | 1.466 | C6LB-C6-3 | 0.203 | .195-.191 | .394-.356 | .125-.113 | ||
| .188-.313 | 1.529 | C6LB-C6-4 | |||||||
| .250-.375 | 1.591 | C6LB-C6-5 | C6LB-U6-5 | ||||||
| 1/4 | .188-.313 | 1.645 | C6LB-C8-4 | C6LB-R8-4G | 0.266 | .259-.254 | .525-.475 | .152-.136 | |
| .250-.375 | 1.708 | C6LB-R8-5G | |||||||
| .313-.438 | 1.770 | C6LB-C8-6 | C6LB-R8-6G | ||||||
| .438-.563 | 1.895 | C6LB-C8-8 | C6LB-R8-8G | ||||||
| .563-.688 | 2.020 | C6LB-R8-10G | |||||||
| .688-.813 | 2.145 | C6LB-R8-12G | |||||||
| .938-1.063 | 2.395 | C6LB-R8-16G | |||||||
| 5/16 | .125-.375 | 1.910 | C6LB-C10-4 | C6LB-R10-4G | 0.328 | .322-.317 | .656-.594 | .201-.181 | |
| .250-.500 | 2.035 | C6LB-C10-6 | C6LB-R10-6G | ||||||
| .375-.625 | 2.160 | C6LB-C10-8 | C6LB-R10-8G | ||||||
| .500-.750 | 2.285 | C6LB-R10-10G | |||||||
| 3/8 | .125-.375 | 2.121 | C6LB-C12-4 | C6LB-R12-4G | 0.391 | .385-.380 | .787-.713 | .248-.223 | |
| .250-.500 | 2.246 | C6LB-C12-6 | C6LB-R12-6G | C6LB-U12-6 | |||||
| .375-.625 | 2.371 | C6LB-C12-8 | C6LB-R12-8G | C6LB-U12-8 | |||||
| .500-.750 | 2.496 | C6LB-C12-10 | C6LB-R12-10G | C6LB-U12-10 | |||||
| .625-.875 | 2.621 | C6LB-C12-12 | C6LB-R12-12G | C6LB-U12-12 | |||||
| .750-1.00 | 2.746 | C6LB-C12-14 | C6LB-R12-14G | ||||||
| .875-1.125 | 2.871 | C6LB-C12-16 | C6LB-R12-16G | C6LB-U12-16 | |||||
| 1.00-1.250 | 2.996 | C6LB-R12-18G | |||||||
| 1.125-.1.375 | 3.121 | C6LB-R12-20G | |||||||
TRUSS HEAD
| Maximum | Truss Head (T) | ||||||||
| Dia. | GRIP RANGE | E LENGTH | Aluminum Part Num. | Steel Part Num | Stainless steel | Hole Size | A | B | C |
| 3/16 | .063-.188 | 1.404 |
| ||||||